- Spécifications
- Connexion
- Graphiques
- Rèfèrence
- Accessoires
- Téléchargements
Spécifications
Spécifications générales
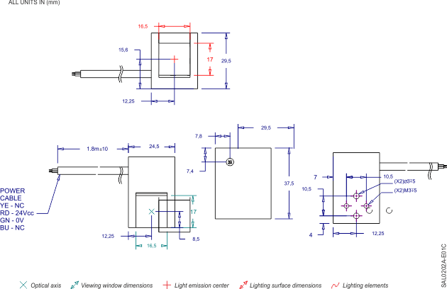
| Dimensions externes | 37.5x29.5x24.5mm |
| Surface active | 17x17mm |
| Distance recommandée de travail | <100mm |
| Types disponibles | Continue Strobe iBlueDrive |
| Couleurs de l'éclairage disponibles | 470nm 525nm 630nm 850nm W00 |
| ... | ... |
Voir les spécifications complètes
Spécifications par type
| Type (+) | Alimentation | Connector | Câble d’alimentation | Driver externe (+) |
|---|---|---|---|---|
| Continue (C) | 24VDC ±3% | N/A | 2P avec des terminales livres. Longueur:1800mm | No |
| iBluedrive (i) | 24VDC ±8%24VDC ±8% | 3P aérienne. Longueur: 150mm | VCC Series (non inclus) | LP |
| Strobe (S) | Contrôleur stroboscopique | N/A | 2P avec des terminales livres. Longueur:1800mm | VST Series (non inclus) |
Maximum consommation instantanée* (mA)
| Type (+) | Couleur (+) | ||||
|---|---|---|---|---|---|
| 470nm | 525nm | 630nm | 850nm | W00 | |
| Continue (C) | 25 | 25 | 25 | 25 | 25 |
| iBluedrive (i) | 120 | 120 | 120 | 220 | 120 |
| Strobe (S) | 90 | 90 | 90 | 210 | 90 |
NOTES
* Consultez les spécifications de fonctionnement du type d'éclairage (+ info)
Pour obtenir ce produit en multispectral et/ou dans d´autres longueurs d´onde veuillez vérifier la disponibilité en nous envoyant un e-mail ou en utilisant le formulaire de contact.
Dimensions
Connexion
Intensité lumineuse (Modèle : SAL0202A-630C )
Graphiques d'uniformité
SAL0202A-630C@05mm
SAL0202A-630C@25mm
Rèfèrence
La référence se compose par le modèle, la couleur, du type d'éclairage et du modificateur.
Les modificateurs ne sont disponibles que sur certains équipements et sont facultatifs, sauf pour les angles d'émission. Dans le cas oú l'angle ne peut être spécifié, il est considéré comme un "angle moyen".
Pour obtenir ce produit en multispectral et/ou dans d´autres longueurs d´onde veuillez vérifier la disponibilité en nous envoyant un e-mail ou en utilisant le formulaire de contact.
Modèle
SAL0202A
/Zz
/FPL = Filtre polarisateur
Certaines combinaisons des options présentées peuvent ne pas être prises en charge en standard. Utilisez le générateur de référence pour générer une référence valide. Pour toute autre combinaison, veuillez vérifier la disponibilité sur info@dcmsistemes.com.
Téléchargements
Vidéos
Contact
DCM Sistemes
Pol. Ind. 'El Oliveral', C/ X esquina con C/ G. 46190 - Ribarroja del Turia. Valencia (España)
Tel.:(+34) 96 166 65 27 | Fax: (+34) 96 166 65 24
info@dcmsistemes.com | www.dcmsistemes.com
Link: https://www.dcmsistemes.com/fr/produits/sal/sal0202a/






