Page 1
{Obsolete}

PLC1236C

PLC  Projecteur linéaire puissance

Projecteur
Éclairage darkfield
Éclairage direct
Éclairage diffus
iBlueDrive
PLC1236C

Version actuelle

  • Spécifications
  • Connexion
  • Graphiques
  • Rèfèrence
  • Accessoires
  • Téléchargements

Spécifications

Spécifications générales

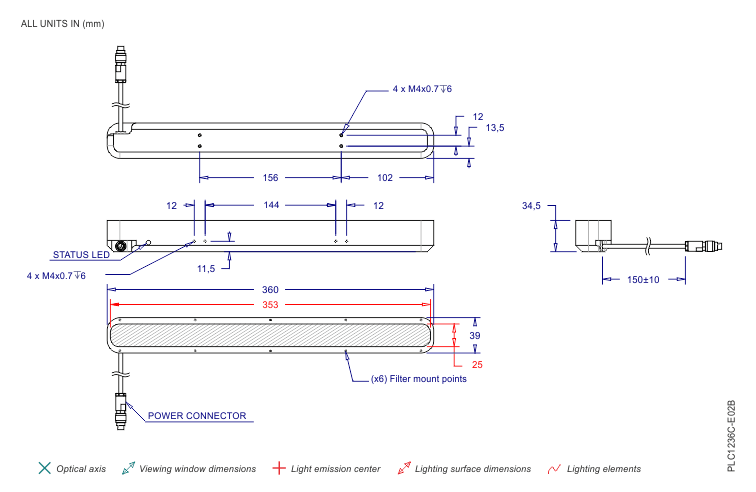
Dimensions externes 360x39x34.5mm
Distance recommandée de travail >50mm
Nombre de leds 12
Types disponibles Continue iBlueDrive
Couleurs de l'éclairage disponibles 365nm 400nm 470nm 525nm 630nm 850nm W00
Angle d'incidence de l'illumination
Petite 12° | Réf.: ../AN

Moyen 35° | Réf.: ../AM

Grand 70° | Réf.: ../AW

Emission diffuse | Réf.: ../AD

... ...

Voir les spécifications complètes

Spécifications par type

Type (+) Alimentation Connector Câble d’alimentation Driver externe (+)
Continue (C) 24VDC ±8% 3P aérienne. Longueur: 150mm VCC Series (non inclus) No
iBluedrive (i) 24VDC ±8%24VDC ±8% 3P aérienne. Longueur: 150mm VCC Series (non inclus) No

Maximum consommation instantanée* (mA)

Type  (+) Couleur (+)
365nm400nm470nm525nm630nm850nmW00
Continue (C) 675604604 604742604600
iBluedrive (i) 3020302030203020302020203020

NOTES
* Consultez les spécifications de fonctionnement du type d'éclairage (+ info)

Cet équipement est disponible sur demande en longueurs d'onde de 455nm (indigo), 730nm (cerise) et 940nm (infrarouge+).
Pour obtenir ce produit en multispectral et/ou dans d´autres longueurs d´onde veuillez vérifier la disponibilité en nous envoyant un e-mail ou en utilisant le formulaire de contact.

Page 2
Dimensions

Intensité lumineuse (Modèle : PLC1236C-630C )

Intensité lumineuse (Modèle : PLC1236C-630C)

Page 3
Graphiques d'uniformité

Graphiques d'uniformité PLC1236C-630i-AD@050mm
PLC1236C-630i-AD@050mm
Graphiques d'uniformité PLC1236C-630i-AD@300mm
PLC1236C-630i-AD@300mm
Graphiques d'uniformité PLC1236C-630i-AN@050mm
PLC1236C-630i-AN@050mm
Graphiques d'uniformité PLC1236C-630i-AN@350mm
PLC1236C-630i-AN@350mm
Graphiques d'uniformité PLC1236C-630i-AM@050mm
PLC1236C-630i-AM@050mm
Graphiques d'uniformité PLC1236C-630i-AM@350mm
PLC1236C-630i-AM@350mm

Page 4
Rèfèrence

La référence se compose par le modèle, la couleur, du type d'éclairage et du modificateur. Les modificateurs ne sont disponibles que sur certains équipements et sont facultatifs, sauf pour les angles d'émission. Dans le cas oú l'angle ne peut être spécifié, il est considéré comme un "angle moyen".

Cet équipement est disponible sur demande en longueurs d'onde de 455nm (indigo), 730nm (cerise) et 940nm (infrarouge+).
Pour obtenir ce produit en multispectral et/ou dans d´autres longueurs d´onde veuillez vérifier la disponibilité en nous envoyant un e-mail ou en utilisant le formulaire de contact.

Modèle

PLC1236C

-XXX

- 365 (UV-)

- 400 (UV)

- 470 (Bleu)

- 525 (Vert)

- 630 (Rouge)

- 850 (IR)

- W00 (Blanc)

Y

C = Continue

i = iBlueDrive

/Zz

*Reportez-vous au code modificateur pour l'ajouter à la référence (+ info)

Page 5

Téléchargements

iBlueDrive Manual
iBlueDrive Manual
(642.47 Kb)

iBlueDrive quickguide
iBlueDrive quickguide
(311.71 Kb)

Adjunto Fiche technique
Fiche technique
(548.78 Kb)

Adjunto Plan technique en document PDF
Plan technique en document PDF
(90.21 Kb)

Adjunto Plan en 3D (STP step AP214, IGS iges, SAT Acis R18)
Plan en 3D (STP step AP214, IGS iges, SAT Acis R18)
(631.70 Kb)

 quickguide
General quickguide
(256.19 Kb)

fiche technique
Version imprimable de la fiche technique PLC1236C

fiche technique
Version imprimable de la fiche technique PLC1236C

Vidéos


Contact


DCM Sistemes

DCM Sistemes
Pol. Ind. 'El Oliveral', C/ X esquina con C/ G. 46190 - Ribarroja del Turia. Valencia (España)
Tel.:(+34) 96 166 65 27 | Fax: (+34) 96 166 65 24
info@dcmsistemes.com | www.dcmsistemes.com
Link: https://www.dcmsistemes.com/fr/produits/plc/plc1236c/