- Spécifications
- Connexion
- Graphiques
- Rèfèrence
- Accessoires
- Téléchargements
Spécifications
Spécifications générales
| Dimensions externes | 120x39x34.5mm |
| Distance recommandée de travail | >50mm |
| Nombre de leds | 4 |
| Types disponibles | Continue iBlueDrive |
| Couleurs de l'éclairage disponibles | 365nm 400nm 470nm 525nm 630nm 850nm W00 |
| Angle d'incidence de l'illumination | |
| ... | ... |
Voir les spécifications complètes
Spécifications par type
| Type (+) | Alimentation | Connector | Câble d’alimentation | Driver externe (+) |
|---|---|---|---|---|
| Continue (C) | 24VDC ±8% | 3P aérienne. Longueur: 150mm | VCC Series (non inclus) | |
| iBluedrive (i) | 24VDC ±8%24VDC ±8% | 3P aérienne. Longueur: 150mm | VCC Series (non inclus) | No |
Maximum consommation instantanée* (mA)
| Type (+) | Couleur (+) | ||||||
|---|---|---|---|---|---|---|---|
| 365nm | 400nm | 470nm | 525nm | 630nm | 850nm | W00 | |
| Continue (C) | 225 | 208 | 208 | 208 | 247 | 188 | 208 |
| iBluedrive (i) | 1020 | 1020 | 1020 | 1020 | 1020 | 1020 | 1020 |
NOTES
* Consultez les spécifications de fonctionnement du type d'éclairage (+ info)
Cet équipement est disponible sur demande en longueurs d'onde de 455nm (indigo), 730nm (cerise) et 940nm (infrarouge+).
Pour obtenir ce produit en multispectral et/ou dans d´autres longueurs d´onde veuillez vérifier la disponibilité en nous envoyant un e-mail ou en utilisant le formulaire de contact.
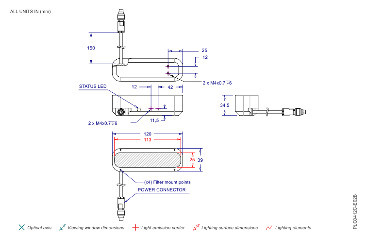
Dimensions
Connexion
Intensité lumineuse (Modèle : PLC0412C-630i )
Graphiques d'uniformité
PLC0412C-630i-AD@050mm
PLC0412C-630i-AD@300mm
PLC0412C-630i-AM@050mm
PLC0412C-630i-AM@300mm
PLC0412C-630i-AN@050mm
PLC0412C-630i-AN@350mm
Rèfèrence
La référence se compose par le modèle, la couleur, du type d'éclairage et du modificateur.
Les modificateurs ne sont disponibles que sur certains équipements et sont facultatifs, sauf pour les angles d'émission. Dans le cas oú l'angle ne peut être spécifié, il est considéré comme un "angle moyen".
Cet équipement est disponible sur demande en longueurs d'onde de 455nm (indigo), 730nm (cerise) et 940nm (infrarouge+).
Pour obtenir ce produit en multispectral et/ou dans d´autres longueurs d´onde veuillez vérifier la disponibilité en nous envoyant un e-mail ou en utilisant le formulaire de contact.
Modèle
PLC0412C
/Zz
/67 = Protection IP = IP67
/P = Contrôle input PNP
Téléchargements
Vidéos
Contact
DCM Sistemes
Pol. Ind. 'El Oliveral', C/ X esquina con C/ G. 46190 - Ribarroja del Turia. Valencia (España)
Tel.:(+34) 96 166 65 27 | Fax: (+34) 96 166 65 24
info@dcmsistemes.com | www.dcmsistemes.com
Link: https://www.dcmsistemes.com/fr/produits/plc/plc0412c/







