VHD
Dissipateur de la chaleur
Les dissipateurs de chaleur de DCM Sistemes sont des accessoires conçus pour protéger le système contre une surchauffe excessive.
Comment commander un dissipateur de la chaleur
| FAMILLE | MODÈLE | Réf. ACCESSOIRE (accessoire de l´équipement) |
|
|---|---|---|---|
| PLA | PLA0513A | VHD0010B | |
| PLA | PLA1013A | VHD0010B | |
| PLA | PLA1026A | VHD0010B (x2) | |
| PLA | PLA2026A | VHD0010B (x2) |
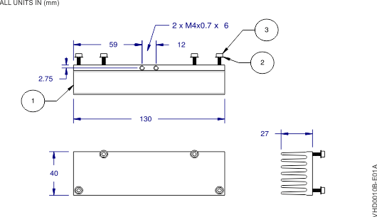
Dimensions
Téléchargements
![]()
Plan en 3D (STP step AP214, IGS iges, SAT Acis R18) (VHD0010B)
![]()
Plan technique en document PDF (VHD0010B)
Contact
DCM Sistemes
Pol. Ind. 'El Oliveral', C/ X esquina con C/ G. 46190 - Ribarroja del Turia. Valencia (España)
Tel.:(+34) 96 166 65 27 | Fax: (+34) 96 166 65 24
info@dcmsistemes.com | www.dcmsistemes.com
Link: https://www.dcmsistemes.com/fr/produits/accessoires/vhd/