Page 1

VBA055A

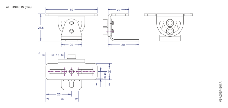
Ancrage postérieur pour PLC, PLD, PLU, PRC0604C, PRC0608C, PRD0500B, PRF, PRH, PRK0608A et PRL.

Ref. Commande: VBA055A
(Les vis et les rondelles sont incluses)

  • VBA055A
  • VBA055A
  • VBA055A

Assemblée

Plano de VBA055A

Téléchargements


Contact


DCM Sistemes

DCM Sistemes
Pol. Ind. 'El Oliveral', C/ X esquina con C/ G. 46190 - Ribarroja del Turia. Valencia (España)
Tel.:(+34) 96 166 65 27 | Fax: (+34) 96 166 65 24
info@dcmsistemes.com | www.dcmsistemes.com
Link: https://www.dcmsistemes.com/fr/produits/accessoires/vba055a/