Page 1

VBA050A

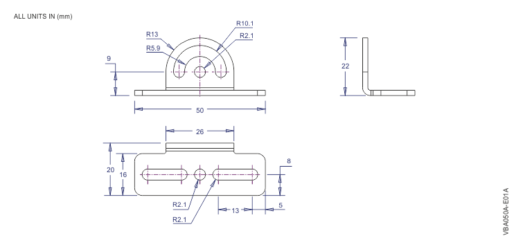
Ancrage latéral pour PLD, PLU, PRC0604C, PRC0608C, PRK0608A et PRH.

Réf. Commande: VBA050A
(Les vis et les rondelles sont incluses)

  • VBA050A
  • VBA050A
  • VBA050A

Assemblée

Plano de VBA050A

Téléchargements


Contact


DCM Sistemes

DCM Sistemes
Pol. Ind. 'El Oliveral', C/ X esquina con C/ G. 46190 - Ribarroja del Turia. Valencia (España)
Tel.:(+34) 96 166 65 27 | Fax: (+34) 96 166 65 24
info@dcmsistemes.com | www.dcmsistemes.com
Link: https://www.dcmsistemes.com/fr/produits/accessoires/vba050a/