Assemblée
Téléchargements
![]()
Plan en 3D (STP step AP214, IGS iges, SAT Acis R18) (VBA000A)
![]()
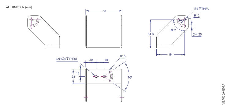
Plan technique en document DXF (VBA000A)
![]()
Assemblage (VBA000A)
![]()
Plan technique en document PDF (VBA000A)
Contact
DCM Sistemes
Pol. Ind. 'El Oliveral', C/ X esquina con C/ G. 46190 - Ribarroja del Turia. Valencia (España)
Tel.:(+34) 96 166 65 27 | Fax: (+34) 96 166 65 24
info@dcmsistemes.com | www.dcmsistemes.com
Link: https://www.dcmsistemes.com/fr/produits/accessoires/vba000a/