- Specifications
- Connection
- Lighting graphics
- Part number
- Accessories
- Downloads
Specifications
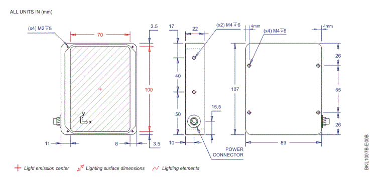
General specifications
| External dimensions | 107x89x22mm |
| Active surface | 70x100mm |
| Available types | Continuous Strobe iBlueDrive |
| Available lighting colors | 470nm 525nm 630nm 850nm RGB W00 |
| ... | ... |
See complete general specifications
Specifications by type
| Type (+) | Power supply | Connector | Power cable | External driver (+) |
|---|---|---|---|---|
| Continuous (C) | 24VDC ±3% | 2P on chassis | VCB Series (not included) | No |
| iBluedrive (i) | 24VDC ±8%24VDC ±8% | 3P aerial. Length: 150mm | VCC Series (not included) | ST00 / ST01 (IP67) |
| Strobe (S) | Strobe Controller | 2P on chassis | VCB Series (not included) | VST Series (not included) |
| Strobe (S) RGB | RGB Strobe Controller | 4P on chassis | VCD Series (not included) | VSC Series (not included) |
Maximum instantaneous consumption* (mA)
| Type (+) | Color (+) | |||||
|---|---|---|---|---|---|---|
| 470nm | 525nm | 630nm | 850nm | RGB | W00 | |
| Continuous (C) | 220 | 160 | 260 | 180 | N/A | 125 |
| iBluedrive (i) | 2020 | 2020 | 2020 | 2020 | N/A | 2020 |
| Strobe (S) | 1200 | 1200 | 1600 | 1000 | 1800 per channel | 1600 |
NOTES
* Refer to operating specifications of each type of lamp. (+ info)
To obtain this product in multiespectral version and/or in other wavelengths please check availability by emailing us or via the contact form.
Main Dimensions
Brightness distribution
BKL1007B-630C
Part number
The part number is composed by the model, the color, the type of lamp and the modifier.
Modifiers are only available in some models and they are optional except in case of the emission angles.
In the case where the angle cannot be specified, it will be considered "medium angle".
To obtain this product in multiespectral version and/or in other wavelengths please check availability by emailing us or via the contact form.
Model
BKL1007B
Some combinations of the options shown above may not be supported as standard. Use the reference generator to generate a valid reference. For any other combination, please check availability at info@dcmsistemes.com .
Downloads
Videos
Contact
DCM Sistemes
Pol. Ind. 'El Oliveral', C/ X esquina con C/ G. 46190 - Ribarroja del Turia. Valencia (España)
Tel.:(+34) 96 166 65 27 | Fax: (+34) 96 166 65 24
info@dcmsistemes.com | www.dcmsistemes.com
Link: https://www.dcmsistemes.com/en/products/bkl/bkl1007b/







