IBLUEDRIVEBOX
Control interface for iBlueDrive devices
Order ref.: VTA0005A(USB) / VTA0006A (RS232)
Available DIN rail clamp. (Ref. VTA0110A).
What is iBlueDrive Box?
With the iBlueDrive Box you can adjust and control the operating parameters of the iBlueDrive lighting systems.
The iBlueDrive Box is an interface that allows you to adjust the parameters while the light is working (online). It also provides electrical isolation of the trigger signals and the communications port for added security.
To know all the configuration parameters, the new features and everything the iBlueDrive Box can do check out the documentation section of the iBlueDrive Box.
Specifications
| Dimensions (WxHxD) | 20x90x55 mm |
| Weight | 165g |
| Maximum consumption | 30mA Excludes lighting system consumption. |
| Operating voltage | 24VDC ± 8% |
| Maximum current | 7A with resettable fuse |
| Simultaneity | Up to 20 lighting systems. |
| Case protection | IP20 |
| Case material | Anodized aluminium |
| Fixing | 2x Ø4 Mountable to 35mm DIN rail using VTA0110A clip (not included). |
| Accessory (optional) | VTA0110A- DIN rail clamp. (not included). |
Software download
Using our free control software iBlueDrive Control Manager you can adjust both the iBlueDrive lights and the iBlueDrive Box.
You can download the software and find more information about installation and iBlueDrive lighting equipment on the iBlueDrive download page.
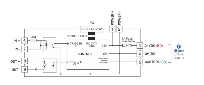
Simplified circuit
Main Dimensions
Downloads
![]()
Last device database file (devices.dat) (devices)
![]()
PDF Manual (iBlueDriveBox)
![]()
PDF technical drawing (iBlueDriveBox)
![]()
Standard devices quickguide (iBlueDriveBox)
Contact
DCM Sistemes
Pol. Ind. 'El Oliveral', C/ X esquina con C/ G. 46190 - Ribarroja del Turia. Valencia (España)
Tel.:(+34) 96 166 65 27 | Fax: (+34) 96 166 65 24
info@dcmsistemes.com | www.dcmsistemes.com
Link: https://www.dcmsistemes.com/en/products/accessories/ibluedrivebox/